UR機器人代理商 | UR10e機器人使用入門
發布時間:2021-12-06 19:52:06 作者:顯揚科技
UR10e機器人工作空間延伸1300mm基座關節周圍選擇機器人安裝位置時,務必考慮機器人正上方和正下方的圓柱體空間。應避免將工具移向圓柱體空間,因為這樣會造成工具慢速運動時關節卻運動過快,從而導致UR10e機器人工作效率低下,風險評估難以進行。

UR10e機器人手臂使用4顆8.8級強度的M8螺栓和底部的4個8.5mm安裝孔安裝機器人手臂。螺栓必須使用20Nm扭矩擰緊。
使用預留的兩個Ø8孔和一個銷釘來準確地重新定位UR10e機器人手臂。注意:可以采購精確的基座作為附件來使用。圖1展示了鉆孔位置和螺絲安裝位置。
(圖1 UR10e機器人安裝孔,所有測量值均以mm為單位)
將UR10e機器人安裝在一個堅固、無震動的表面,該表面應當足以承受至少10倍的基座關節的完全扭轉力,以及至少5倍的機器人手臂的重量。如果UR10e機器人安裝在線性軸上或是活動的平臺上,則活動性安裝基座的加速度非常低。高加速度會導致UR10e機器人發生安全停機。
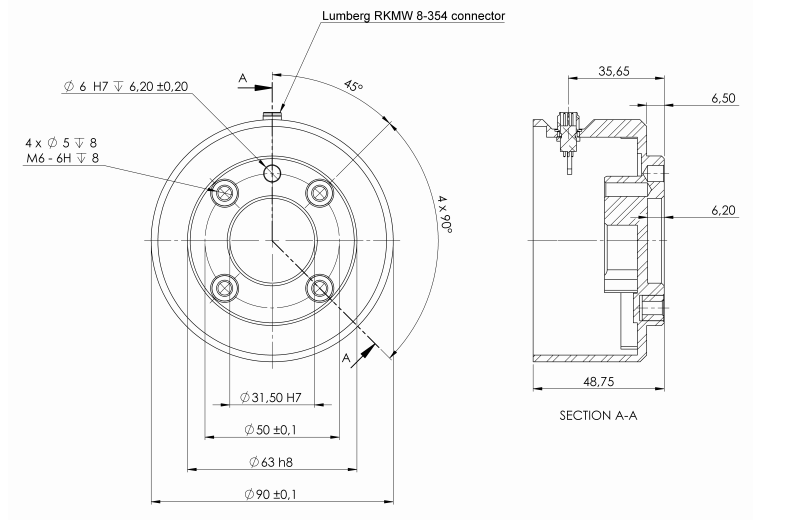
UR10e機器人工具法蘭有四個M6螺紋孔,可用于將工具連接到機器人。M6螺栓必須使用8Nm的扭矩擰緊,其強度等級為8.8。為了準確地重新定位工具,請在預留的Ø6個孔中使用銷釘。下圖顯示了工具法蘭的尺寸和孔模式。建議對銷釘使用徑向槽孔以避免過度約束,同時保持精確的位置。安裝工具的螺栓不得超過8mm,M6螺栓太長將壓在工具法蘭的底部并使機器人短路。
(圖2工具輸出法蘭(ISO9409-1-50-4-M6),所有測量值均以mm為單位)
顯揚科技通過自主研發的高速高清三維機器視覺設備,以及智能工業機器人系統,聯合多個知名機器人與機器人夾具企業,構建了一個機器人生態系統。顯揚生態的產品能夠完美的與顯揚科技的機器視覺產品結合,包含通信協議、圖形處理SDK、操作案例等。顯揚科技同時是這些企業的代理商,可以提供可靠、性價比高的產品。目前顯揚科技生態系統包括以下品牌:UR優傲協作機器人 、AUBO遨博移動機器人、Franka Emika 協作機器人、艾利特Elite協作機器人、Kuka iiwa 協作機器人、ABB工業機器人、海康工業鏡頭 、海康工業相機、伯朗特工業機器人、 愛普生Epson工業機器人、 robotiq夾爪 、robotiq真空吸盤、robotiq腕部相機、慧靈機器人電爪 、大寰機器人電爪、研華工控機、超恩工控機、創想三維3D打印機 、Mir AGV、機器人關節、精密機械加工服務。通過顯揚生態,客戶可以快速找到合適的機器人本體、夾具等,并快速部署基于顯揚三維機器視覺產品的工業應用。